Canon EOS Resources
SLR Cameras - Additional information on Canon EOS-5 QD & EOS-A2/A2e Part III

MIR Logo.gif

File size: 31K HTML Loading....

Various Exposure Control Moes with the EOS-5/A2E

commandial.jpg topLCD.jpg
Program AE mode Intelligent Program AE automatically sets both shutter speed and aperture, taking into consideration the focal length of the lens in use. Generally, the Program AE should provide optimum exposure settings where the camera will also select a shutter speed fast enough to reduce the effect of any camera shake with the lense type in use. In addition to the Full Auto exposure mode, you can select any of four different Programmed Image Control (PIC) modes. These preset certain functions of the camera to suit different types of subject.
     
Close-up The Close-up mode features the Auto mode of the built-in flash, with the flash firing automatically in low-light or backlight situations   Sports The Sports mode uses the focus prediction At Servo AF mode to capture in-focus images of moving subjects. Continuous (C-Hi) shooting is also set.   Portrait The Portrait mode selects continuous shooting so that you can capture the fleeting expressions of your subject. The flash is set to Auto mode.   Landscape The Landscape mode is for shooting at leisure, with One-shot focusing, single frame shooting and flash in the Off mode.

flwmacropurple2.jpg
Aperture-priority for depth control The Canon EOS 5 offers a variety of shooting modes - you can select the setting most suitable for your subject. The Aperture-Priority AE (Av) mode is the one to choose when you want to control the lens aperture. One popular application for aperture priority AE is Portraiture and closeup photographjy where creative depth of field is easier to manupulate the picture moods. In the Av mode, you set the lens aperture and leave the camera to select a suitable shutter speed for correct exposure.
Another Copyright-free image collection. leofoo® 2004

The aperture determines the depth-of-field' for your subject. A large lens aperture, such as f/2.8 or f/4, gives a shallow depth, with only a small area behind and in front of the main subject in focus. Large apertures are ideal for portraits, throwing the background out-of-focus and concentrating attention on the face. A small aperture, such as f/11 or f/16, gives a deep zone-offocus, with most of the scene appearing sharp. Small apertures are good for landscape pictures. The depth-of-field for any aperture varies with the focal length of the lens, but experience will soon show you which aperture to select for your subject.

Shutter-priority for speed control The Shutter-Priority AE (Tv) mode gives complete control over the shutter speed. In this mode, you set the shutter speed and leave the camera to select and set the best aperture for correct exposure. With the EOS 5, you can set the shutter speed in 0.5 steps from 1/8800 see to 30 sec. - one of the widest range of shutter speed settings you can find on the market. As the choice of shutter speed affects the amount of blur shown by a moving subject. The fastest shutter speeds can 'freeze' the movement of most subjects, giving a sharp, clear image with plenty of detail. At slow shutter speeds, subjects may move across the film while the shutter is open, creating a series of images which produce 'blur'. You will not always want to use a fast shutter speed with moving subjects - a small amount of blur can be very effective when you want to suggest movement in the image. The best results will be obtained from the Tv mode when you have enough experience to judge the effect of the selected shutter speed.

jojomclau3.jpg
Depth-of-Field AE Similar to Aperture Priority AE in principle but this Canon's original creation of Depth-of-Field AE mode here provides a more precise control over the degree of blur effect. It automatically selects the best aperture to keep all of your main subject area inside the zone-of-focus. Simply aim the camera at the nearest point you want to appear in focus and press the shutter button halfway; then aim the camera at the farthest point of the subject and press the shutter button halfway again. Finally, recompose the image in the viewfinder and press the shutter release all the way. The camera will automatically adjust the lens aperture to the value which will give the depth - of - field needed to keep the nearest and farthest points acceptably sharp.

Manual selection Naturally, they are photographers who often likes to revert back to full control over image creation. Or this is used in some situations where AE may not presents precise control over certain fixed value (or with background ever changing lighting). When you switch to the manual on the Command Dial, you take over full control of the shutter speed and apertures settings on the camera. The shutter speed can be set to any value between 1/8800 sec and 30 seconds using the electronic input dial; the aperture can be set to any value in the range offered by the lens using the Quick Control dial on the back of the camera. The camera continues to meter the subject, showing the results in a viewfinder display so that you can set these values on the camera if you wish. However, the manual mode is normally used for subjects where the camera metering may not give the best results, or for special exposure effects.

Credit: Image courtesy of Mr. MCLau®. MC is a seasoned photographer and has helped to maintain some of the Message Boards in PIM website. He has a website on his own. Image(s) copyright © 2003. All rights reserved.

Choice of built-in or external flashguns The EOS 5 can be used with any of the Canon EZ Speedlites for accurate, versatile A-TTL flash photography. In addition to hot-shoe flash contacts, an X-syne socket is provided for connecting studio flash and other flash equipment. Flash can be used at shutter speeds up to 1/200 sec. The camera also features a built-in retractable electronic flash. This is equipped with an auto zoom mechanism which sets the angle of coverage, according to the focal length of the lens attached to the camera. The flash guide number ranges from 13 to 17 (ISO 100, metres) with lens focal lengths from 28mm to 80mm.

eos5sidecover.jpg

hotshoe.jpg

redeye.jpg

With the EOS-5, either fist or second curtain synchronization can be selected. The flash automatically pops up and fires in low-light or backlit situations when shooting Full Auto, Portrait and Close-up modes. It can also be used in all other modes for low-light or daylight fill-in flash photography. Naturally, there is a list of other dedicated Canon Speedlites that can perform the same tasks with high power output or coverage. In the Red-Eye reduction mode, pressing the shutter release button switches on a lamp which illuminates the subject. This causes the pupils of the eye to contract, reducing the risk of the 'red-eye' effect.

The EOS-5/A2E is a very flexible imaging tool. It can be customery setup to suit individual taste or preference in how to use the camera by means of a built-in Custom Functions. The Custom Functions let you configure the EOS 5 to suit your personal style of photography. You can leave each of 16 different functions at the factory setting, or change them to provide an alternative function.

EOS5lenstop.jpg
1. Set rewinding to silent mode.
2. Leave the film leader out after auto rewind.
3. Do not automatically set film speed using DX code.
4. Change the AE lock button to an AF activation button.
5. During single-frame shooting, allow the next shutter release only after SW-l OFF.
6. Cancel AF operation with the AE lock button.
7. Do not emit the AF auxiliary light.
8. Do not reset multiple exposure operation after one frame.
9. Fix shutter speed at 1/200 sec. when using flash in aperture-priority mode.
10. Cancel superimposed indications in the viewfinder.
11. Close down the aperture (Depth-of-Field Check) when AE lock button is pressed.
12. Set the self-timer delay to 2 seconds and lock the mirror up at SW-2 ON.
13. Turn the metering timer off.
14. Set the built-in flash for second-curtain sync operation.
15. Link partial metering with the focusing points.
16. Do not automatically reduce flash output for daylight fill-in flash.

BP5.jpg
External Power Supply Although the 2CR5 battery used in the EOS 5 is adequate for most users, there are times when extra power is an advantage (Battery Check: Battery automatically checked when command dial moved to position other than 'L'. Battery condition indicator displayed on LCD panel). The Battery Pack BP-5 is an exclusive accessory for the EOS 5. The large capacity. long life external pack can be placed in a pocket or clipped to a belt. It uses four D-size rechargeable Ni-Cd batteries. At the end of the coiled lead from the pack is a unit the same size and shape as the 2CR5 battery. This replaces the battery in the camera.
flashoffbodyadaptA.gifconnectorshoe.gifflashoffbodycorddual.gif
offocord.gifdistrbutor.gifFlash Compatibilities and other Facilities The EOS 5 can be used with any of the Canon EZ Speedlites for accurate, versatile A-TTL flash photography. In addition to hotshoe flash contacts, an X-sync socket is provided for connecting studio flash and other flash equipment. Naturally, any of the external flash can also combines the camera built-in retractable electronic flash for creative photography. The camera also equipped with a X-mode setting where it will locked the camera to shoot only within sync speed range. Other interesting flash accessories includes the Macro Ring Lite ML-3 for closeup photography and off camera combination using Off camera Shoe Cord 2, TTL Hot shoe adaptor 3, Off-camera shoe adapter, TTL-distributor and two connecting cords of 60 and 300 - up to four speedlites (including ML-3 can be linked together for TTL-flash control.

Date Imprinting Function of the Canon EOS-5 QD. Japan version of the EOS-5 has either standard or as a QD version.I am not sure if the databack is sold separately on other markets.
eos5QDrearviewmdm.jpg
Type: Built-in LCD (liquid crystal display), quartz digital automatic calendar and clock. Programmed to cover the period 1992-2029 -corrections automatically made for long and short months and leap years.

Imprint Formats: (1) Year/Month/Day (2) Day/Hour/Minute (3) Month/Day/Year (4) Day/Month/Year. Can be turned off if NO imprint desired.
Clock Accuracy: Accurate within 90 sec. per month at moderate temperatures 68
° F / 20° C.
Power Source: CR2025 3V lithium
Battery Life: about three years.

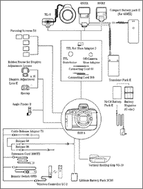
The Canon EOS-5/A2e QD is more than just another AF camera - it is part of an ever-expanding system of lenses and accessories which open up many interesting and exciting possibilities. With a huge array of system accessories to assist you with any kind of photographic applications, for an example, you can have a hand in the world of close-up photography with accessories such as Extension tubes EF 25 and close-up flash Macrolite ML-3, or explore the potential of flash photography with multiple setups using various Canon Speedlites or even change any particular focusing screen type to suit your lenses and subjects.

<<<--- Download a larger image file (38k) Gif. The recommended suggestions are based on a 1995 system brochure

EFlensgroupMDM.jpg

As for the optic, there is no shortage of choice when it comes to lenses for the EOS 5 - any of the EF line-up can be used. Canon is continually developing the range and new lenses are added at regular intervals, all designed to help you extend the capabilities of your camera. All data exchange between the camera and the lens takes place through Canon's fully electronic EF lens mount - up to 50 different items of information can be handled. The Electro-Magnetic Diaphragm provides quick, accurate aperture control and one-touch depth-of-field preview.

<<<--- Download a larger image file (236k) Jpeg image or a copy of the lense chart (99k) Gif. Please note: The illustration of this EF lense group is based on a 1995 system brochure. Some newer series of EF lenses may not be shown while some showing here could have been discontinued/upgraded.

| previous | Back to | index page of Canon EOS-5/A2E

Main Reference Map of Canon EOS-5
Technical Specification of Canon EOS-5

Canon Autofocus EF Lens Resources

Note: Looking for a Link resource on the Web for Instruction Manual on EOS-5/A2E

Recommended resources on the web relates to EOS-5/A2E:
Disasembling the Body & Disabling the Beeper in the EOS-5

Command Dial Fix
Comparing various EOS bodies of EOS 5/A2/A2E, the EOS 50/50E/Elan II/Elan IIE/EOS 55 and the EOS 30/33/Elan 7/7E/EOS 7.
Discussion Forum relating to EOS-5 at
Photonet

Flash Photography:- Part 1 | 2 | 3 | 4 - Canon 540EZ site
Selective Canon TTL Flash Models:- 160E | 200E | 300EZ | 300TL | 420EZ | 430 EZ | 480EG | 540EZ | Macrolites | Other non-TTL Canon flash models
Others:
| Canon RS-60E3 Remote Switch | Canon RC-1 Remote Control | Canon RC-2 Remote Controller | Canon TC-80N3 Timer Remote Controller |

Additional information on other EOS AF-SLR Models:
EOS-650 (1987.2) | EOS-620 (1987.5) | EOS-750QD (1988.10) | EOS-850QD (1988.10) | EOS-630QD (1989.4) | EOS-1 (1989.9) | EOS-RT (1989.10) | EOS-700QD (1990.3) | EOS-10S QD (1990.3) | Canon T-60 | EOS-1000F /RebelS QD (1990.9) | EOS-100 / Elan QD (1991.9) | Canon EF-M (1991.9) | EOS-5/A2E QD (1992.10) | EOS-1000FN /Rebel S II QD (1992.4) | EOS-500 / Rebel XS / KISS (1993.10) | EOS-1n (1994.9) | EOS-888/5000QD (1995.1) | EOS-1n RS (1995.3) | EOS-50/50E / Elan II(E) /EOS 55 (1995.9) | EOS -500N / Rebel G / KISS II (1996.9) | EOS-IX (1996.10) / EOS-IX Lite /IX-7 (1996.3) | EOS-3 (1998.11) | EOS-88/3000 (1999.3) | EOS-300 / Rebel 2000 QD / KISS III (1999.4) | EOS-1v (2000.3) | EOS-30 / EOS-7 / EOS Elan 7E (2000.10) | EOS-3000N /EOS-66 / Rebel XS-N (2002.2) | EOS-300V / Rebel Ti / KISS V (2002.9) | EOS 3000V / Rebel K2 / KISS Lite (2003.9)

MIR Logo.gif
Home - Photography in Malaysia
Search.gif

stickershw.jpg
February, 2000

| BACK | to Index Page of EOS -5 QD / A2/A2E |
|
Back to main index page of EOS-1 Series |

| Message Board | Questions, issues & Answer(s)
| Message Board | for your Canon Optics in a shared environment
| Message Board | Specifically for Dispose or Looking for Canon Photographic equipment

About this photographic site.

Credit: To all the good people who has contributed their own experience, resources or those who are kind enough granting us permission to use their images appeared in this site.

Site concept & design: leofoo® MIR Web Development Team. Copyright 2002. Members of the EOS Site Maintenance Team : Philip Chong, CYLeow, Vincent Thian. images handling on EOS models: EeWyn; Setup, coordination by: Wati. Mirza. *Credit: Mr. Richard Yeow & Mr. Simon Wong from camera division of Canon Marketing, for their continual effort in supporting development of this EOS/EF website. Note:certain content and images appeared in this site were either scanned from official marketing leaflets, brochures, sales manuals or publications published by Canon Inc. over the years and/or contribution from surfers who claimed originality of their work for educational purposes. The creator of the site will not be responsible for may discrepancies arise from such dispute except rectifying them after verification."Canon", "EF lenses" & "EOS" are registered trade names of Canon Inc., Japan. Site made with an Apple IMac.